фрезы и комплекты фрез по дереву
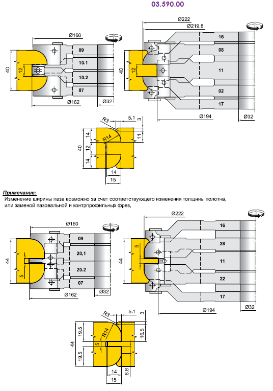
Комплект дверных фрез 03.590.0 ИБЕРУС-КИЕВ

Комплект разработан в нескольких вариациях - комплект фрез для глухого полотна с филенкой, комплект фрез для полотна со стеклом, комплект фрез для комбинированного дверного полотна с филенкой и со стеклом.
Заготовки дверного полотна соединяются по технологии "шип-паз" с дополнительным креплением саморезами (шурупами).
Фрезы рассчитаны на толщину дверного полотна 40 мм с возможностью регулировки толщины шипа-паза и толщины дверного полотна одновременно.


по типу станков
фрезы для фрезерных станков
Если вы хотите купить комплект дверных фрез 03.590.0 ИБЕРУС-КИЕВ , вы можете: